Φ16mm無刷空心杯電機(MC1625)
產品型號:MC1625
直徑(mm):12
長度(mm):27
額定電壓(V):12
額定轉速(rpm):17300
堵轉轉矩(mNm):21.2
堵轉電流(A) :3.17
轉矩常數(mNm/A):7.2
速度常數(rpm/V) :1563
輸出軸直徑(mm):1
電機參數
| 電機數據(額定值) | |||||
| 額定電壓(V) | 12 | 24 | |||
| 空載轉速(rpm) | 17300 | 58000 | |||
| 空載電流(A) | 0.14 | 0.22 | |||
| 額定轉速 (rpm) | 13000 | 46380 | |||
| 額定轉矩(mNm) | 4.05 | 8 | |||
| 額定電流(A) | 0.79 | 2.28 | |||
| 堵轉轉矩(mNm) | 21.2 | 39.9 | |||
| 堵轉電流(A) | 3.17 | 10.5 | |||
| 最大效率(%) | 63.4 | 73.3 | |||
| 電機常數(額定值) | |||||
| 相間電阻(Ω) | 3.39 | 2.28 | |||
| 相間電感(mH) | 0.089 | 0.013 | |||
| 轉矩常數(mNm/A) | 7.2 | 3.9 | |||
| 速度常數(rpm/V) | 1563 | 2439 | |||
| 轉速/轉矩斜度( rpm/mNm) | 823 | 1452 | |||
| 機械時間常數(ms) | 1.61 | 1.9 | |||
| 轉子慣量(gcm2) | 0.209 | 0.13 | |||
| 熱參數 | |||
| 機殼-環境熱阻(K/W) | 38.6 | ||
| 繞組-機殼熱阻(K/W) | 7.5 | ||
| 繞組熱時間常數(s) | 3.2 | ||
| 電機熱時間常數(s) | 210 | ||
| 環境溫度(℃) | ?? -20…+100 | ||
| 最高繞組溫度(℃) | 125 | ||
| 機械參數(滾珠軸承) | |||
| 最大允許轉速(rpm) | 30 000 | ||
| 最大軸向間隙(mm) | < 2.5 N? 0 | ||
| ?4.7 N > 2.5 N? 0.05(max) | |||
| 徑向間隙 | ?preloaded | ||
| 最大軸向動態載荷(N) | 2.5 | ||
| 最大允許安靜態裝力(N) | 4.7 | ||
| 最大徑向載荷,距離法蘭處2mm處(N) | 10 | ||
| 端子型號 | |||
| CJTconn?C6201HFB-2xXP |
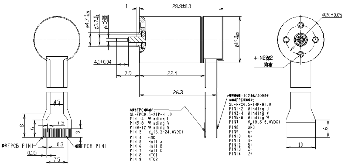
設計圖紙

















查看詳情


Φ16mm無刷空心杯電機(MC1625)規格書
