概述
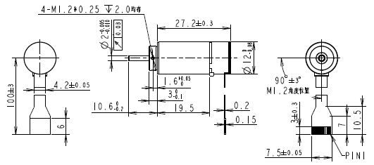
Φ12mm 無刷空心杯電機(MC1226)
產品型號:MC1226
直徑(mm):12
長度(mm):26
額定電壓(V):12
額定轉速(rpm):20970
堵轉轉矩(mNm):8.9
堵轉電流(A) :2.38
轉矩常數(mNm/A):3.87
速度常數(rpm/V) :2383
輸出軸直徑(mm):0.8
電機參數
| 電機數據(額定值) |
|
| 額定電壓(V) |
12 |
| 空載轉速(rpm) |
28600 |
| 空載電流(A) |
78 |
| 額定轉速 (rpm) |
20970 |
| 額定轉矩(mNm) |
2.38 |
| 額定電流(A) |
0.69 |
| 堵轉轉矩(mNm) |
8.9 |
| 堵轉電流(A) |
2.38 |
| 最大效率(%) |
67 |
| 電機常數(額定值) |
|
| 相間電阻(Ω) |
5.3 |
| 相間電感(mH) |
0.042 |
| 轉矩常數(mNm/A) |
3.87 |
| 速度常數(rpm/V) |
2383 |
| 轉速/轉矩斜度(rpm/mNm) |
3213 |
| 機械時間常數(ms) |
4.5 |
| 轉子慣量(gcm2) |
0.138 |
| 熱參數 |
|
| 機殼-環境熱阻(K/W) |
38.6 |
| 繞組-機殼熱阻(K/W) |
7.5 |
| 繞組熱時間常數(s) |
3.2 |
| 電機熱時間常數(s) |
210 |
| 環境溫度(℃) |
-20~+100 |
| 最高繞組溫度(℃) |
+125 |
| 機械參數(滾珠軸承) |
|
| 最大允許轉速(rpm) |
40 000 |
| 最大軸向間隙(mm) |
< 0.15 N? ?0 |
| > 0.15 N? ?0.06(max) |
| 徑向間隙 |
preloaded |
| 最大軸向動態載荷(N) |
2 |
| 最大允許安靜態裝力(N) |
10 |
| 最大徑向載荷,距離法蘭處2mm處(N) |
5 |
*注:以上具體參數可根據客戶要求定制。
-
-
MC0820
額定電壓5 V
額定轉速15000 rpm
堵轉轉矩1.08 mNm

查看詳情
-
資料下載

Φ12mm 無刷空心杯電機(MC1226)規格書
兆威 — 微型驅動系統制造商
專注于研發、生產精密驅動系統,為客戶提供智能驅動方案設計,零件的生產與組裝的定制化服務
立即咨詢 >