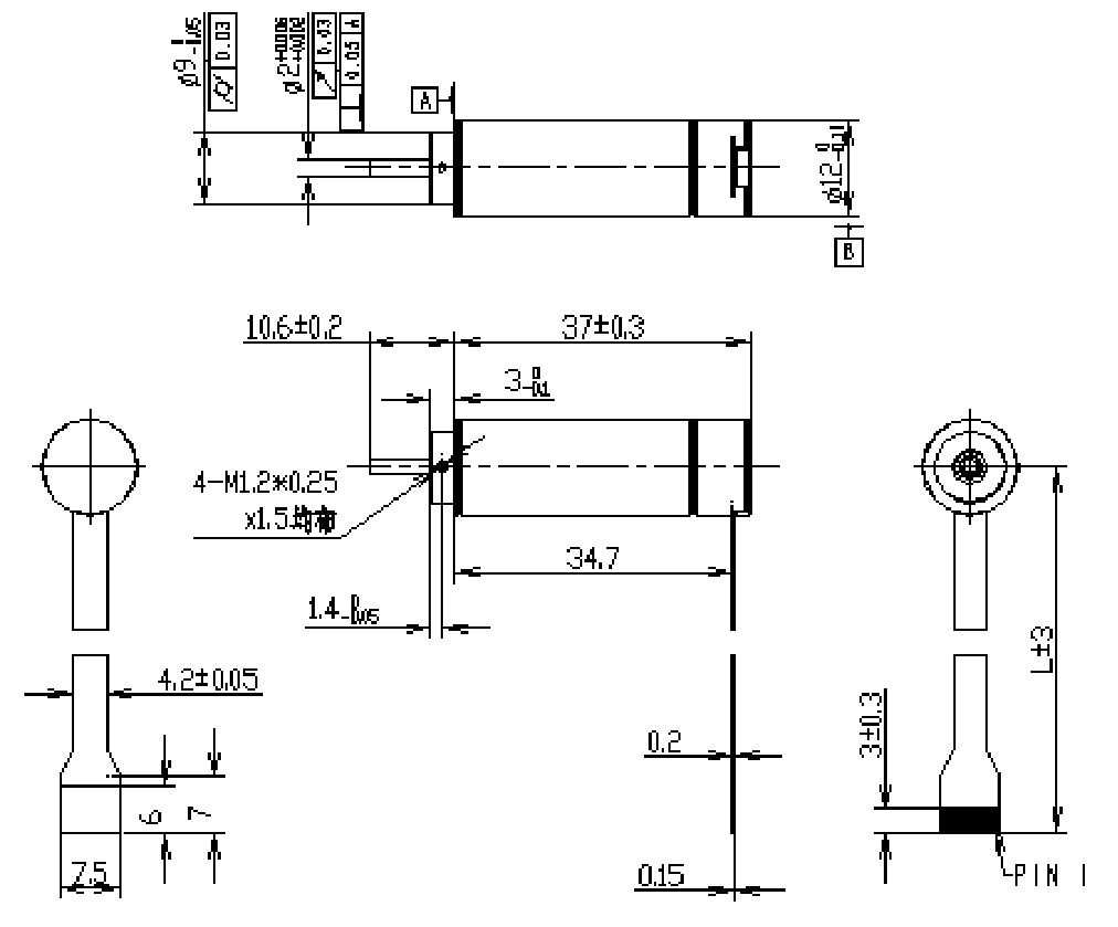
Φ12mm無刷空心杯電機(MC1237)
產品型號:MC1237
直徑(mm):12
長度(mm):37
額定電壓(V):24
額定轉速(rpm):19000
堵轉轉矩(mNm):19
堵轉電流(A) :2.3
轉矩常數(mNm/A):8.7
速度常數(rpm/V) :1099
輸出軸直徑(mm):2
電機參數
| 電機數據(額定值) | |||
| 額定電壓(V) | 24 | ||
| 空載轉速(rpm) | 24000 | ||
| 空載電流(A) | 70 | ||
| 額定轉速 (rpm) | 19000 | ||
| 額定轉矩(mNm) | 5 | ||
| 額定電流(A) | 0.65 | ||
| 堵轉轉矩(mNm) | 19 | ||
| 堵轉電流(A) | 2.3 | ||
| 最大效率(%) | 68 | ||
| 電機常數(額定值) | |||
| 相間電阻(Ω) | 10.2 | ||
| 相間電感(mH) | 0.179 | ||
| 轉矩常數(mNm/A) | 8.7 | ||
| 速度常數(rpm/V) | 1099 | ||
| 轉速/轉矩斜度( rpm/mNm) | 1338 | ||
| 機械時間常數(ms) | 2.94 | ||
| 轉子慣量(gcm2) | 0.239 | ||
| 熱參數 | |||
| 機殼-環境熱阻(K/W) | / | ||
| 繞組-機殼熱阻(K/W) | / | ||
| 繞組熱時間常數(s) | / | ||
| 電機熱時間常數(s) | / | ||
| 環境溫度(℃) | ?? -20…+100 | ||
| 最高繞組溫度(℃) | 125 | ||
| 機械參數(滾珠軸承) | |||
| 最大允許轉速(rpm) | 40 000 | ||
| 最大軸向間隙(mm) | < 0.15 N? 0 | ||
| ?> 0.15 N? 0.06(max) | |||
| 徑向間隙 | ?preloaded | ||
| 最大軸向動態載荷(N) | 2 | ||
| 最大允許安靜態裝力(N) | 10 | ||
| 最大徑向載荷,距離法蘭處2mm處(N) | 5 | ||
| 端子型號 | |||
| Molex 52745-1297 |
設計圖紙

















查看詳情

Φ12mm無刷空心杯電機(MC1237)規格書
